牛津仪器集团成员
扩展

应用报告|EBSD技术在锂离子电池正极材料显微结构和循环相变行为研究中的应用探索

背景

清洁能源技术是世界各国关注的热点,主要的发达国家都在大力推动电动汽车的发展,以期取代燃油车。电动汽车的发展离不开动力电池技术的进步,正极材料是动力电池的研究重点。寻找合适的成分体系一直是产业界和学术界的重要研究课题,相关的技术沿着降钴增镍、提高容量、稳定性和循环性能的方向发展。另外,有研究表明, 多晶正极材料的稳定性及循环性能不如单晶正极材料 [1]。国内多家企业将单晶正极材料作为自己的拳头产品,但多晶正极材料成本较低,仍然属于市场主流产品。优化结构以提高性能是多晶正极材料研究的重要方向。

正极材料是使用前驱体和锂盐焙烧制备而成。正极颗粒会继承前驱体的形态。通过工艺参数调控前驱体的形态,合成的正极颗粒可以具有类单晶结构、放射状结构或者核壳、梯度结构,性能也会得到不同程度的优化 [2] 。一次颗粒(以下称“晶粒”)呈放射状排布时,这种颗粒内部结构可以显著减轻锂离子脱嵌过程中晶体体积变化带来的应力,提高其容量和循环寿命 [3]。这些结果说明,虽然正极颗粒在极片上的分布是随机的,正极颗粒显微结构的优化设计可以提高电池的性能。

多晶正极颗粒中晶粒的取向分布也会影响到电池的性能。Donal 等人 [3-4]指出,正极颗粒中晶粒的界面和取向会影响到锂离子的传输效率。当晶粒的层状结构平行于颗粒的径向、晶粒之间的取向差较小时,锂离子的传输效率最高。如果多数颗粒具备上述特征时,不论颗粒如何被涂敷在极片上,颗粒内部总有晶粒的取向利于锂离子的传输。相比于取向随机分布的颗粒,按照这种理念构建显微结构,多晶正极材料的性能会有提升。

多晶正极颗粒内晶粒的取向分布表征需要合适的分析工具。以往的研究仅仅通过电子图像粗略地判断晶粒的形态,无法定量地分析晶粒取向的分布 [2-3]。Donal 等 [4]提到,电子背散射衍射技术(EBSD,Electron Backscattering Diffraction) 可以表征颗粒中晶粒的取向分布,并以 NMC 材料为例展示了 EBSD 技术在正极颗粒显微结构表征中的应用潜力。

充放电循环引起的相变是正极材料研究的另一个重点,很多研究致力于提高正极材料晶体结构的稳定性,希望正极材料在长期循环后依然保持较高的容量。这是因为在充放电循环过程中,层状三元正极材料会失氧原子和锂原子,晶体结构的 C 轴变小,从层状结构转变为类尖晶石结构,再转变为稳定的立方结构(又称岩盐相)[5-7]。原子层面晶体结构的应力变化会诱发生成微细裂纹,同时会导致容量衰减、循环性能和热稳定性降低[8-9]。以往的研究通过 XRD 在宏观层面或者通过 TEM 在原子层面证实了这种相变,但以上手段无法在极片尺度上表征相变发生的位置和进度 [5] 。作为基本的分析功能, EBSD 技术则可填补极片尺度上的相变研究。

图 1 EBSD装置示意图

在扫描电子显微镜(SEM)上搭载 EBSD 探测器,电子束照射在倾斜的样品上,背散射电子发生衍射,出射形成的衍射电子投影到 EBSD 探测器的磷屏上,形成衍射花样,如图 1 所示。采集软件解析衍射花样,标定相和取向。设定采集区域,采集软件逐个像素点地采集选定区域的衍射花样,获取采集区域的相和取向数据。之后,后处理软件就可以按照这些数据表达晶粒、界面、取向、织构等各种显微结构的特征。

图 2 牛津仪器的全能型 EBSD 探测器 Symmetry S2 及最高分辨率(1244×1024像素)的衍射花样

在场发射电子显微镜的束流条件下,正极材料的衍射花样较弱,对 EBSD 探测器灵敏度的要求高。为了增加衍射花样的强度,通常的做法是增加每个像素点上的曝光时间,而此举必然会降低 EBSD 分析的采集速度。所以,文献上报道的 EBSD 分析区域通常较小,或者标定质量不高[1,4]。2017 年,牛津仪器推出基于 CMOS 技术的 EBSD 探测器,该系列 EBSD 探测器的成像系统使用光纤传输耦合 CMOS 传感器技术,具有极高的信号灵敏度。衍射花样的最高分辨率达到 1244 × 1024 像素,如图 2 所示。在同样的电子束条件下,使用更短的曝光时间就可 以获得高清晰的衍射花样,随之而来的快速采集和高质量标定使极片尺度上的 EBSD 数据采集成为可能。


显微结构分析

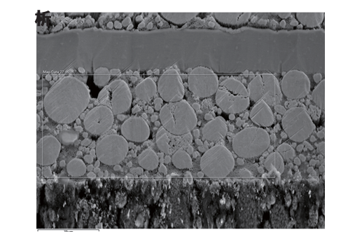
图 3 初始态正极材料截面的电子图像

图 3 为未充放电循环的锂离子电池极片的抛光截面。能谱仪(EDS)定量分析表明该正极材料为 Li(Ni,Co,Al)O2(后面简称 NCA )。作者使用牛津仪器全能型 EBSD 探测器 Symmetry S2 采集图 1 选区内正极颗粒的取向信息。在 12 kV 加速电压下,采集面积为 95 μm × 42 μm 的区域,步长设为 0.1 μm ,EBSD 采集速度可达到 200 Hz ,在约 30 分钟内完成。

点击下载应用报告 返回牛津仪器纳米分析 应用报告
沪ICP备17031777号-1 公安机关备案号31010402003473