牛津仪器集团成员
扩展

EBSD 技术在锂离子电池正极材料显微结构和循环相变行为研究中的应用探索

背景

清洁能源技术是世界各国关注的热点,主要的发达国家都在大力推动电动汽车的发展,以期取代燃油车。电动汽车的发展离不开动力电池技术的进步,正极材料是动力电池的研究重点。寻找合适的成分体系一直是产业界和学术界的重要研究课题,相关的技术沿着降钴增镍、提高容量、稳定性和循环性能的方向发展。另外,有研究表明, 多晶正极材料的稳定性及循环性能不如单晶正极材料[1]。国内多家企业将单晶正极材料作为自己的拳头产品,但多晶正极材料成本较低,仍然属于市场主流产品。优化结构以提高性能是多晶正极材料研究的重要方向。

正极材料是使用前驱体和锂盐焙烧制备而成。正极颗粒会继承前驱体的形态。通过工艺参数调控前驱体的形态,合成的正极颗粒可以具有类单晶结构、放射状结构或者核壳、梯度结构,性能也会得到不同程度的优化[2]。一次颗粒(以下称“晶粒”)呈放射状排布时,这种颗粒内部结构可以显著减轻锂离子脱嵌过程中晶体体积变化带来的应力,提高其容量和循环寿命[3]。这些结果说明,虽然正极颗粒在极片上的分布是随机的,正极颗粒显微结构的优化设计可以提高电池的性能。 

多晶正极颗粒中晶粒的取向分布也会影响到电池的性能。Donal 等人[3-4]指出,正极颗粒中晶粒的界面和取向会影响到锂离子的传输效率。当晶粒的层状结构平行于颗粒的径向、晶粒之间的取向差较小时,锂离子的传输效率最高。如果多数颗粒具备上述特征时,不论颗粒如何被涂敷在极片上,颗粒内部总有晶粒的取向利于锂离子的传输。相比于取向随机分布的颗粒,按照这种理念构建显微结构,多晶正极材料的性能会有提升。

多晶正极颗粒内晶粒的取向分布表征需要合适的分析工具。以往的研究仅仅通过电子图像粗略地判断晶粒的形态,无法定量地分析晶粒取向的分布[2-3]。Donal 等[4]提到,电子背散射衍射技术(EBSD,Electron Backscattering Diffraction)可以表征颗粒中晶粒的取向分布,并以 NMC 材料为例展示了 EBSD 技术在正极颗粒显微结构表征中的应用潜力。

图 1 EBSD 装置示意图

在扫描电子显微镜(SEM)上搭载 EBSD 探测器,电子束照射在倾斜的样品上,背散射电子发生衍射,出射形成的衍射电子投影到 EBSD 探测器的磷屏上,形成衍射花样,如图 1 所示。采集软件解析衍射花样,标定相和取向。设定采集区域,采集软件逐个像素点地采集选定区域的衍射花样,获取采集区域的相和取向数据。之后,后处理软件就可以按照这些数据表达晶粒、界面、取向、织构等各种显微结构的特征。

图 2 牛津仪器的全能型 EBSD 探测器 Symmetry S2 及最高分辨率(1244 × 1024 像素)的衍射花样

在场发射电子显微镜的束流条件下,正极材料的衍射花样较弱,对 EBSD 探测器灵敏度的要求高。为了增加衍射花样的强度,通常的做法是增加每个像素点上的曝光时间,而此举必然会降低 EBSD 分析的采集速度。所以,文献上报道的 EBSD 分析区域通常较小,或者标定质量不高[1,4]。2017 年,牛津仪器推出基于 CMOS 技术的 EBSD 探测器,该系列 EBSD 探测器的成像系统使用光纤传输耦合 CMOS 传感器技术,具有极高的信号灵敏度。衍射花样的最高分辨率达到 1244 × 1024 像素,如图 2 所示。在同样的电子束条件下,使用更短的曝光时间就可以获得高清晰的衍射花样,随之而来的快速采集和高质量标定使极片尺度上的 EBSD 数据采集成为可能。

显微结构分析

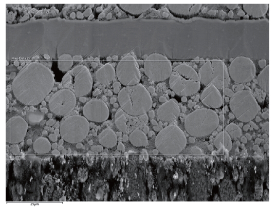
图 3 为未充放电循环的锂离子电池极片的抛光截面能谱仪(EDS)定量分析表明该正极材料为 Li(Ni,Co,Al)O2(后面简称 NCA)。作者使用牛津仪器全能型 EBSD 探测器 Symmetry S2 采集图 1 选区内正极颗粒的取向信息。在12 kV 加速电压下,采集面积为 95 μm × 42 μm的区域,步长设为 0.1 μm,EBSD 采集速度可达到 200 Hz,在约 30 分钟内完成。

图 3 初始态正极材料截面的电子图像

图 4 正极颗粒的取向分布叠加大角晶界(>10o)分布图

正极材料可以有多种物相,比如常见的 LiCoO2 具有三种物相:层状结构的 HT-LiCoO2、尖晶石结构 LT-LiCoO2 和岩盐相 LiCoO2,其中层状结构和尖晶石结构非常接近[10]。该NCA正极材料的晶体学信息未知,作者使用 EDS 和 EBSD 联用的相鉴定功能和小区域测试反复检验发现,采用类尖晶石相的标定质量明显优于常见的层状相 Li (Ni, Co, Al) O2。图 4 为采集区域内的取向分布叠加大角晶界图,测试区域的正极颗粒呈现典型的多晶形态,每个颗粒内部都有许多小晶粒。

图 5 正极颗粒的晶粒尺寸分布图

正极颗粒内部晶粒的尺寸差异显著,晶粒的尺寸与颗粒尺寸呈正相关的关系。为了量化晶粒尺寸的差异,图 5 显示等效圆直径(ECD)的着色分布图,最大尺寸范围内的晶粒(图 5 中的红色晶粒)都分布在大颗粒内。在大颗粒中,中心区域的晶粒多呈等轴晶形态,而边缘区域的晶粒则多为柱状晶形态。有些颗粒内部的晶粒非常细小,更趋近于等轴晶形态。晶粒尺寸统计表明,该区域有 6584 个晶粒,EBSD 数据的晶粒尺寸从 0.4 μm 到 1.9 μm,平均晶粒尺寸约为 0.6 μm。

图 6 正极颗粒内部结构的表征:(a) 衍射带对比图;(b) 取向分布

作者使用 50 nm 步长进一步分析了图 5 左上角的两个典型颗粒,结晶形态(图 6 a)和取向分布(图 6 b)清晰地反映了两个颗粒内部晶粒形态的差异。晶粒尺寸统计如表 1 所示,虽然这两个颗粒内部晶粒数量相差比较大,但是颗粒内部晶粒尺寸分布范围、平均晶粒尺寸几乎一致。

表 1 两个颗粒内部晶粒尺寸差异

这两个颗粒中晶粒的排列方式有明显的不同。大颗粒可分为两层结构,中心区域的晶粒呈等轴晶形态,边缘区域呈放射状。而小颗粒内部几乎都是柱状晶粒。图 7 突出显示长径比大于 2 的晶粒,直观地呈现柱状晶粒的分布。数量统计显示,大颗粒和小颗粒内部分别有 211 和 102 个晶粒的长径比大于 2。

图 7 两个正极颗粒中长径比大于 2 的晶粒分布图

颗粒面积较大时,截面抛光穿过颗粒中心的概率也较大。图8显示了 <001> 晶向接近平行于采集面(即 <001> 沿采集面呈放射状)的颗粒, 同时叠加了晶粒的晶胞(Unit Cell)取向,EBSD 数据直观地展示各晶粒之间的取向差异。大颗粒中该类晶粒的分布较分散,而小颗粒中有两处晶粒的分布紧密。晶粒取向接近的晶粒在径向上相互接触时,这种晶粒分布有利于锂离子的传输。

图 8 两个正极颗粒中<001>取向接近平行于样品表面的晶粒分布

图 9 将大颗粒中心区域和边缘区域(即等轴晶区域和柱状晶区域)分别提取成子集并进行织构分析。极图显示常见的三个晶面({100}、{110}、{111})未表现出强烈的取向偏聚。图 9 仅分析了一个颗粒中晶粒的三个取向,只有对截面上多个大颗粒做类似的 EBSD 分析,才可判断该材料是否符合前文提到的结构设计理念。


图 9 较大正极颗粒中心区域和边缘区域的取向分布图和极图

作者在取向分布函数(ODF)上找到两个偏聚程度稍大的取向,利用织构组分(Texture Components)功能将这两个取向分别显示在图 10 的面分布图上。不同的取向用颜色加以区分,颜色的深浅反映了晶粒的取向和设定取向之间的偏离程度。织构组分功能同时给出了各取向所占的面积比例,便于比较取向比例的差异。

​图 10 较大正极颗粒边缘区域内晶粒的取向分析

循环相变分析

作者采集了充放电循环 1200 次后 NCM 颗粒的相分布图,如图11所示。在 15 kV 加速电压下,采集步长设为 0.1 μm,采集速度约为 250 Hz。采集范围为 85 μm × 35 μm,覆盖极片一侧从集流体到隔膜的区域。相分布图显示绝大部分的正极颗粒仍然是层状相,约有 5% 的岩盐相在正极颗粒中弥散分布。有些颗粒几乎已经完全转变为岩盐相。在大颗粒中,细小的岩盐相出现在破碎颗粒或者颗粒孔洞的边缘,尤其是颗粒中与电解液接触面积比较大的区域,显示了这种相变进展的不均匀性。

图 11 循环 1200 次后极片上正极颗粒的相分布图(下侧为集流体铝箔)

为了更清晰地表征岩盐相的分布,图 12 采用了 50 nm步长分析了一个小区域。与未充放电循环的状态相比,图 12 (a) 中大颗粒内部的标定率明显降低,说明充放电循环会破坏晶体结构的完整性。有数个小颗粒几乎已经完成从层状相向岩盐相的转变。图 12 (b, c) 为图 12 (a) 中选区的相分布和取向分布图,岩盐相在晶粒边缘出现,说明相变正从晶粒边缘向内部逐渐扩展,暗示岩盐相从层状相转变而来。这一结果与 TEM 研究结果一致[11-12]

图 12 NCM 颗粒的相分布图和取向分布图:(a) 相分布叠加晶界分布图;(b) 选区内的相分布图;(c) 选区内的取向分布图

层状相失去氧原子和锂原子转变为岩盐相,两相必然保持特定的位向关系。图 13 为图 12 (b) 中层状相和岩盐相三个晶面的极图。分析极图可知,层状相和岩盐相存在如下位向关系:

{0001} LiNiO2// {111}Rock salt

{11-20} LiNiO2//{110}Rock salt

严格的取向关系分析在显微尺度验证了这种相变过程,可以和 TEM 等手段相互印证。

图 13 颗粒中层状相和岩盐相的极图

展望

随着研究的深入,科研人员已经不再满足于仅从态上表征正极颗粒。越来越多的研究人员希望建立多晶正极颗粒显微结构和锂离子电池宏观性能之间的关系,而 EBSD 技术正好满足这一尺度表征的要求。EBSD 技术不仅能够分析正极颗粒内晶粒的取向分布,还能可视化地表征充放电循环后岩盐相的分布,与其他表征手段相互补充,拓展了正极材料分析的尺度范围。

致谢

衷心地感谢上海交通大学化学化工学院李林森老师提供的样品支持和分析指导!

参考文献:

[1] J.Li, J. R. Dahn, et al. Comparison of single crystal and polycrystalline LiNi0.5Mn0.3-Co0.2O2 positive electrode materials for high voltage Li-ion cells. J. Electrochem. Soc. 2017, 164 (7): A1534-A1544.

[2] 张臻,张海艳,胡志兵,等. 锂电三元正极材料前驱体的研究进展. 矿冶工程,2019,39(2):115-119.

[3] X. Xu, C. Du, X. Sun, et al. Radially oriented single-crystal primary nanosheets enable ultrahigh rate and cycling proper- ties of LiNi0.8Co0.1Mn0.1O2 cathode materi- al for lithium-ion batteries. Adv. Energy Mater. 2019, 9: 1803963.

[4] A. Quinn, D. P. Finegan, et. al. Electron backscatter diffraction for investigating lithium-ion electrode particle architec- tures. Cell Reports Physical Science, 2020, 1(8): 100137.

[5] N. Yabuuchi, S. H. Yang, et al. Thermal instability of cycled LixNi0.5Mn0.5O2 elec- trodes: an in situ synchrotron X-ray powder diffraction study. Chem. Mater. 2008, 20(15): 4936-4951.

[6] W. Zuo, M. Luo, X. Liu, et al. Li-rich cath- odes for rechargeable Li-based batter- ies:reaction mechanisms and advanced characterization techniques. Energy Environ. Sci. 2020, 13: 4450-4497.

[7] S. Li, D. Su, et al. Direct observation of defect-aided structural evolution in a nickel-rich layered cathode. Angew.Chem. Int. Ed. 2020, 59: 22092-22099.

[4] 熊凡,张卫新,杨则恒,陈飞,王同振,陈章贤. 高比能量锂离子电池正极材料的研究进展. 储能科学与技术, 2018, 7(4): 607-617.

[8] C. Xu, P. J. Reeves, Q. Jacquet, C. P. Grey. Phase behavior during electrochemical cycling of Ni-rich cathode materials for Li-ion batteries. Adv. Energy Mater. 2020, 2003404.

[9] 黄可龙, 王兆翔, 刘素琴. 锂离子电池原理与关键技术.北京:化学工业出版社, 2007: 60-61.

[10] P. Yan, S. Zhang, C. Wang, et al. Cou- pling of electrochemically triggered thermal and mechanical effects to aggravate failure in a layered cathode. Nat. Commun. 2018, 9: 2437.

[11] S. Ahmed, J. Janek, K. Volz, et al. Visualization of light elements using 4D STEM: the layered‐to‐rock salt phase transition in LiNiO2 cathode material. Adv. Energy Mater. 2020, 2001026.


点击下载应用报告 返回牛津仪器纳米分析云学院
沪ICP备17031777号-1 公安机关备案号31010402003473